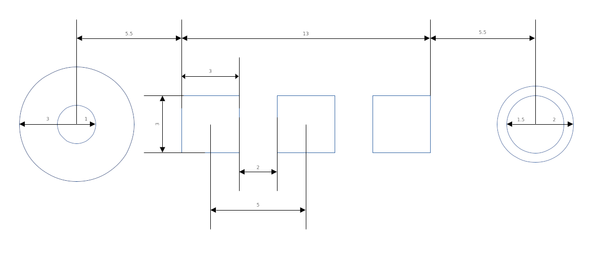
Prong spacing

From DigiMeta
Jump to navigation Jump to search

NOTE

All measurements are in milimeters. They have been tested using Tinkercad and also a resin 3D printer.

2-Prong connector footprint

3-Prong connector footprint